
16尿素高調水余熱制冷方法及裝置.doc
尿素高調水余熱制冷裝置
技術領域
本實用新型涉及氮肥生產中尿素高調水余熱的回收利用。
背景技術
合成氨生產中影響夏季產量的因素主要是氮氫氣壓縮機各段入口溫度高,造成壓縮機氣體質量流量不足。降低壓縮機一段入口溫度可以除去一段入口氣體的含濕量且提高壓縮機的氣體質量流量。脫碳工段采用NHD脫碳工藝,夏季變換氣溫度較高,造成冰機負荷過大,同時帶入脫碳系統的水分較多,影響脫碳工段NHD溶液的損耗及工段能耗。
氮肥生產行業在節水、余熱利用、廢氣回收、廢水利用、降低廢渣殘碳量等節能減排上做了較多的工作。其中,溴化鋰制冷技術就是一項應用很好的節能技術。以山西蘭花煤化工有限責任公司為例,公司合成氨年生產能力為20萬噸/年,現有尿素生產系統,尿素生產能力為30萬噸/年。尿素生產過程中產生大量的低品位熱水,這些余熱如不加以利用將會造成很大的浪費。目前,尿素生產工藝中利用高調水帶走高壓洗滌器中的甲銨吸收冷凝所產生的熱量,通過高調水的流量和溫度調節控制高壓洗滌器操作的溫度,再通過冷卻水散發到大氣環境,現工藝操作指標為:高調水的流量220m3/h~250m3/h,進高壓洗滌器的溫度110℃左右,出高壓洗滌器的溫度130℃左右,經循環泵加壓后去軟化水冷卻器降溫后回高壓洗滌器循環。
發明內容
本實用新型要解決的技術問題是提供一種可回收利用高壓洗滌器的熱量的尿素高調水余熱制冷裝置。
為解決以上技術問題,本實用新型所述的一種尿素高調水余熱制冷裝置,是在高壓洗滌器高調水出口端連接主路和旁路,其中,旁路連接溴化鋰制冷機組的熱源入口,溴化鋰制冷機組熱源出口連接至主路,主路連接高調水泵,出高調水泵后連接至高壓洗滌器的高調水入口。
用出高壓洗滌器的溫度為128℃-132℃的高調水作為溴化鋰制冷機組的熱源,高調水在溴化鋰制冷機組換熱,出溴化鋰制冷機組的高調水溫度降至110℃再返回高壓洗滌器。
本實用新型的構思是利用出高壓洗滌器的高調水作溴化鋰制冷機組的熱源。溴化鋰制冷機組以水為制冷劑,溴化鋰溶液為吸收劑,制取6℃左右的冷媒水,用于生產工藝過程。高調水經過溴化鋰制冷機組后冷卻,再進入高壓洗滌器循環利用。
作為優選的技術方案,本發明還包括一個高位水箱,高位水箱連接高調水冷機組。
與現有技術相比,本實用新型通過尿素高調水余熱回收,以高壓洗滌器的甲銨吸收冷凝產生430萬大卡/時至460萬大卡/時熱量計算,利用200m3/h 、130℃左右的高調水,換熱后回收溫度降低至110℃,能有效利用400萬大卡/時的余熱。
其次,本實用新型利用品位較低的尿素余熱采用吸收式制冷產生低溫冷水冷卻壓縮機一入氣體,可以實現增產降耗,達到節能減排;利用尿素余熱制冷技術制取的低溫冷水冷卻變換氣,可以實現節能降耗;合成氣深度冷卻利用尿素余熱制冷技術制取的低溫冷水對合成氣進一步深度冷卻,可減少冰機負荷,降低循環機入口氣體溫度,提高循環機打氣量,可以實現合成工藝節能降耗目的。
附圖說明
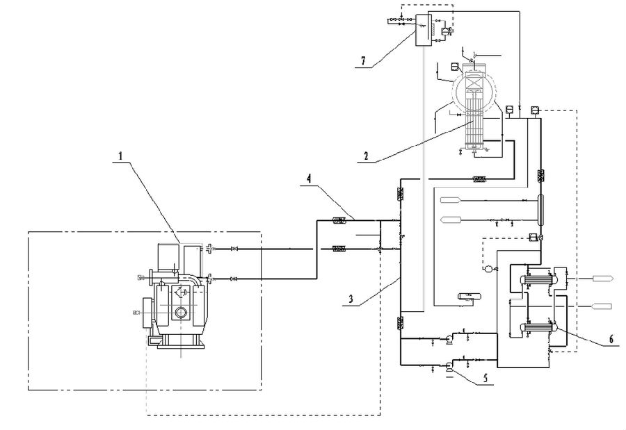
圖1為本實用新型的連接示意圖。
圖中,1-溴化鋰制冷機組,2-高壓洗滌器,3-主路,4-旁路,5-高調水泵,6-高調水冷器,7-高位水箱。
具體實施方式
為了使本領域技術人員更好的理解本實用新型,以下結合附圖對本實用新型作進一步清楚、完整的說明。
本實用新型所述的尿素高調水余熱制冷裝置,是在高壓洗滌器2高調水出口端連接主路3和旁路4,主路3和旁路4上的分流處設有流量調節閥門,其中,旁路4連接溴化鋰制冷機組1的熱源入口,溴化鋰制冷機組1熱源出口連接至主路3,主路3連接高調水泵5,出高調水泵5后分為兩路,一路直接連接至高壓洗滌器2的高調水入口,另一路連接高調水冷器后連接至高壓洗滌器2的高調水入口。
溴化鋰制冷機組1低負荷時,利用流量調節閥減小旁路的流量,再利用高調水冷卻器來控制高壓洗滌器進水溫度。
當溴化鋰吸收式制冷機組1高負荷時,出溴化鋰制冷機組1的高調水回水溫度低于110℃,利用流量調節閥增大熱水旁路流量。
根據尿素生產情況,結合冷量需求,考慮機組效率,如果選用300萬大卡/時左右的溴化鋰制冷機組1一臺,可回收400萬大卡/時至420萬大卡/時熱量。
進一步地,本實用新型還包括一個高位水箱7,高位水箱7連接高調水冷機組。高位水箱7內裝有脫鹽水,在溴化鋰制冷機1出現故障時補充進入高壓洗滌器2的高調水。
本實用新型要求保護的范圍不限于以上具體實施方式,對于本領域技術人員而言,本實用新型可以有多種變形和更改,凡在本實用新型的構思與原則之內所作的任何修改、改進和等同替換都應包含在本實用新型的保護范圍之內。
權利要求書
一種尿素高調水余熱制冷裝置,其特征在于:高壓洗滌器(2)高調水出口端連接主路(3)和旁路(4),其中,旁路(4)連接溴化鋰制冷機組(1)的熱源入口,溴化鋰制冷機組(1)熱源出口連接至主路(3),主路(3)連接高調水泵(5),出高調水泵(5)后連接至高壓洗滌器(2)的高調水入口。
根據權利要求1所述的尿素高調水余熱制冷裝置,其特征在于:還包括一個高位水箱(7),高位水箱(7)連接高調水冷機組。
說明書摘要
本實用新型涉及一種尿素高調水余熱制冷裝置,在高壓洗滌器高調水出口端連接主路和旁路,旁路連接溴化鋰制冷機組的熱源入口,溴化鋰制冷機組熱源出口連接至主路。用出高壓洗滌器的溫度為128℃-132℃的高調水作為溴化鋰制冷機組的熱源,高調水在溴化鋰制冷機組換熱,出溴化鋰制冷機組的高調水溫度降至110℃再返回高壓洗滌器。本實用新型能夠回收高壓洗滌器的熱量,達到節能減排的目的。
說明書附圖

圖1